2月8日,国家发展改革委会同工业和信息化部、财政部、住房城乡建设部、市场监管总局、国家能源局等部门印发了《重点用能产品设备能效先进水平、节能水平和准入水平(2024年版)》(发改环资规〔2024〕127号,以下简称《2024年版》)。
我国是产品设备生产和使用大国,各类产品设备产销量大、应用范围广、能源消耗高,一些设备能效水平偏低,更新改造潜力巨大。《2024年版》结合节能降碳新形势新要求,对标国内国际先进水平,明确了工业设备、信息通信设备、交通运输设备、商用设备、家用电器、照明器具等6大类43种用能产品设备能效要求,并对扩大产品设备覆盖范围、提升节能标准、统筹更新改造和回收利用、倡导绿色低碳消费、加强应用实施和监督检查、强化综合性政策支持等作出部署,指导各地区、各有关部门和行业企业大力推广节能减排降碳先进技术,推进用能产品设备节能降碳。
北京广元科技有限公司的能耗监测系统产品已经为2000余家大型知名企业提供了全生命周期的能碳管控解决方案,覆盖20+行业龙头企业。系统根据上一级监测平台要求的数据上传地址、上传频率、上传时间等实现能耗数据自动上报,支持省、市、县等多个平台上报数据查询。公司秉承“科技创新、贴心服务、实现价值”的经营理念,为用户量身打造能碳信息化整体解决方案,实现节能降碳价值。
国家发展改革委等部门关于发布
《重点用能产品设备能效先进水平、节能水平和
准入水平(2024年版)》的通知
发改环资规〔2024〕127号
各省、自治区、直辖市及计划单列市、新疆生产建设兵团发展改革委、工业和信息化主管部门、财政厅(局)、住房城乡建设厅(委、管委、局)、市场监管局(厅、委)、能源局:
为全面贯彻党的二十大精神,认真落实中央经济工作会议部署,大力推广节能减排降碳先进技术,加快提升产品设备节能标准,支撑重点领域节能改造,助力大规模设备更新和消费品以旧换新,推动完成“十四五”能耗强度下降约束性指标,经商有关方面,现发布《重点用能产品设备能效先进水平、节能水平和准入水平(2024年版)》,并就有关事项通知如下。
一、扩大重点用能产品设备覆盖范围
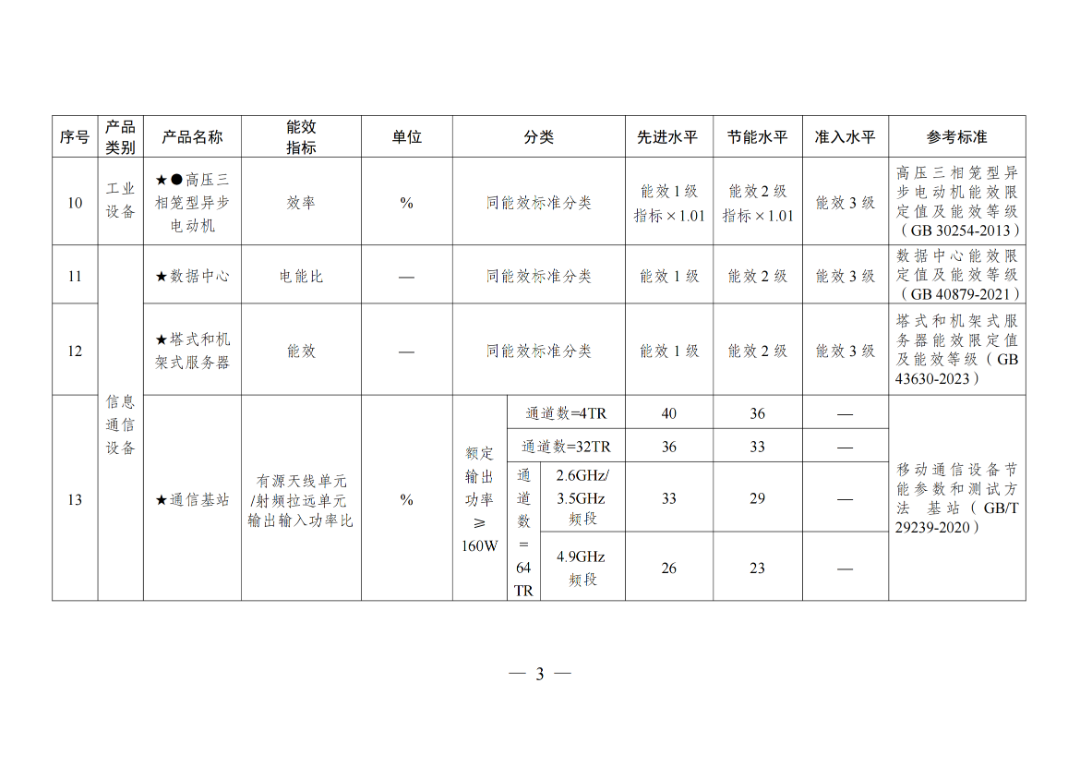
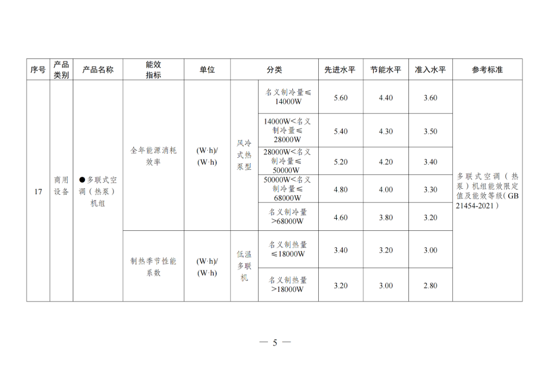
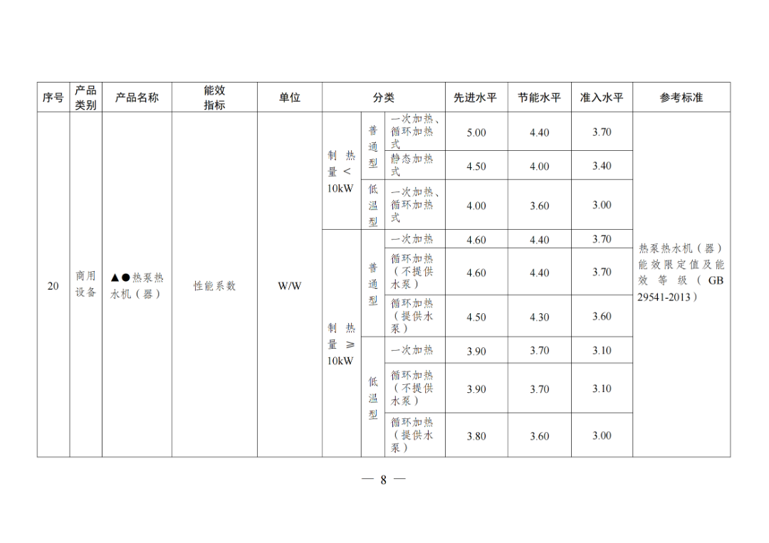
根据应用场景和使用特性,用能产品设备主要分为工业设备、信息通信设备、交通运输设备、商用设备、家用电器、照明器具等6大类。综合考虑应用规模、能源消耗量和节能减排降碳工作需要,扩大重点用能产品设备覆盖范围,在2022年已明确能效水平的三相异步电动机、电力变压器、房间空气调节器等20种产品设备基础上,增加工业锅炉、数据中心、服务器、充电桩、通信基站、光伏组件等23种产品设备或设施,基本实现重点用能产品设备全覆盖,进一步支撑重点领域节能减排降碳。
二、加快提升产品设备节能标准
重点用能产品设备能效水平划分为先进水平、节能水平、准入水平三档。参考现行强制性能效标准要求,结合相关标准制修订情况和国内外同类产品设备技术现状,合理划定能效指标。准入水平为相关产品设备进入市场的最低能效水平门槛,数值与现行强制性能效标准限定值一致。能效指标引用推荐性国家标准、团体标准的产品设备不设定能效准入水平。节能水平不低于现行能效2级,与能效准入水平相比,更符合节能减排降碳工作要求。先进水平不低于现行能效1级,是当前相关产品设备所能达到的先进能效水平。根据行业技术进步和发展趋势,实行能效水平动态转化。适时将重点用能产品设备能效先进水平、节能水平分别转化为下一阶段的节能水平、准入水平。以能效水平为重要依据,加快研究制定相关产品设备碳排放指标,综合评价产品设备节能减排降碳水平,推动能耗双控逐步转向碳排放双控。
三、统筹推进更新改造和回收利用
各地区要积极开展能效诊断,实施产品设备能效普查,推动相关企业实施产品设备更新改造,鼓励更新改造后达到能效节能水平,并力争达到能效先进水平。支持数据中心、通信基站、大型公建、产业园区、交通基础设施等持续提高能效先进水平产品设备应用比例。党政机关、体育场馆、学校、医院等公共机构要充分发挥示范带动作用,积极落实政府绿色采购政策。深入开展企业回收目标责任制行动,加强废旧工业设备、家电产品、光伏设备等回收利用,实现废旧产品设备规模化、规范化、清洁化再生利用。支持相关企业加大研发投入,集中突破高效低碳产品基础材料、关键部件、加工工艺、智能控制、数字化节能等关键共性技术,提升绿色产业竞争优势。
四、大力倡导绿色低碳消费
鼓励零售企业、电商平台联合生产企业通过设置产品专区、突出显示专有标识、发放绿色优惠券、开展产品设备减碳量自我声明等方式,引导消费者优先选购能效先进水平产品设备。鼓励有条件的地区对电子产品下乡、充电桩建设、家电“以旧换新”等按照能效水平予以差异化政策支持,为能效节能水平及以上产品设备提供适当补贴。积极推进产品设备国际节能减排降碳标准制定,加强能效标准标识国际互认,支持绿色产品贸易便利化。加强先进节能技术和产品推广国际合作,促进绿色低碳产品设备惠及全球。
五、加大应用实施和监督检查力度
将产品设备能效水平作为固定资产投资项目节能审查重要技术依据,企业新建、改扩建项目和获得中央预算内投资等财政资金支持的项目,主要用能产品设备能效必须达到节能水平,优先使用能效达到先进水平的产品设备。对于产能已经饱和的行业,主要用能产品设备能效原则上应达到先进水平。各级节能主管部门、工业和信息化主管部门要强化节能监察,督促企业加强产品设备能效管理,依法依规淘汰老旧落后用能产品设备。各级市场监管部门要加大质量监管力度,依法依规禁止能效低于准入水平的产品设备生产销售,严厉打击能效水平虚假宣传行为。各级财政部门要加强政府采购监管,公共机构要严格落实《节能产品政府采购品目清单》,做好节能产品采购工作。
六、强化综合性政策支持
结合产品设备能效水平实施情况,加快强制性能效标准更新升级,填补信息通信、交通运输、新型家电、可再生能源等领域强制性能效标准空白,稳步提升工业、商业等领域通用产品设备能效指标,加快制定泵、风机、空气压缩机等系统运行能效标准。按照“就高不就低”原则,做好强制性能效标准与重点用能产品设备能效先进水平、节能水平和准入水平的衔接协调。鼓励制定严于国家标准的地方标准、行业标准和团体标准。优先将能效先进水平及以上产品设备和相关生产技术工艺纳入《绿色低碳转型产业指导目录》《绿色技术推广目录》和《产业结构调整指导目录》鼓励类。完善绿色产品认证与标识体系,加大绿色产品供给,引导绿色消费。完善政府绿色采购相关政策,研究加大对能效达到节能水平产品设备的政府采购支持力度。统筹运用金融等政策,落实好环保节能相关税收优惠政策,支持企业开展产品设备节能减排降碳改造。鼓励金融机构为企业研发制造高能效产品设备提供中长期信贷支持,支持符合条件的企业发行债券融资。
上述规定自2024年4月1日起执行,《重点用能产品设备能效先进水平、节能水平和准入水平(2022年版)》(发改环资规〔2022〕1719号)同时废止,相关产品设备标准有特殊规定的,从其规定。各地区、各有关部门和行业要高度重视产品设备能效水平提升工作,细化工作要求,强化责任落实,推动制造业高端化、智能化、绿色化发展,加快形成绿色低碳的生产方式和生活方式,为积极稳妥推进碳达峰碳中和提供有力支撑。
附件:重点用能产品设备能效先进水平、节能水平和准入水平(2024年版)
国家发展改革委
工业和信息化部
财 政 部
住房城乡建设部
市场监管总局
国 家 能 源 局
2024年1月29日
















2024年1月29日